Jiawo Electromechanical series
A manufacturer and exporter specializing in the production of high pressure cleaning machines and motors.

H80-355

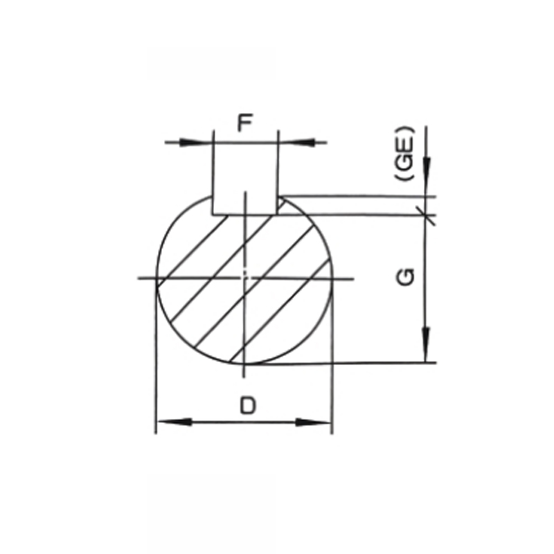
Frame with foot end shield without flange(B3)

For more information, please send an email or call our hotline

jiawofanny@outlook.com

Product description

Frame with foot end shield without flange(B3)
FramePloesAA/2BCHKDEFGABACADHDL
80M2.412562.51005080101940615.5165175145220395
90S2.4.61407010056902450820180195165260420
90L125445
100L2.4.6.8160801406310012286024205215180270480
112M1909514070112230240190300500
132S2161081408913238801033270275210345600
132M178640
160M2.4.6.8.1025412721010816014.5421101237320330255420750
160L254800
180M249139.5241121180481442.5355380280455830
180L279870
200L31815930513320018.5551649395420305505920
225S4.6.8.10356178286149225601401853435470335560940
225M2311551101649940
4.6.8.10601401853965
250M2406203349168250244905103706151075
4.6.8.106558
280S2457228.53681902805505804106801170
4.6.8.10752067.5
280M24196518581220
4.6.8.10752067.5
315S2508254406216315286518586356455308451340
4.6.8.108017022711370
315M24576514018581430
4.6.8.108017022711460
315L25086514018581430
4.6.8.108017022711460
355M2610305560254355751402067.573071065510101665
4.6.8.109517025861695
355L2630751402067.51665
4.6.8.109517025861695


go back

Tel:13566449999

E-mail:jiawofanny@outlook.com

Add:No.318,Chenguang Road,East New District,Wenling city,Taizhou city ,Zhejiang province,China

Manufacturer and exporter specializing in high pressure cleaners and motors

Focus on us for more dynamics 二維碼

copyright Taizhou Jiawo Electromechanical Co.,Ltd  網(wǎng)站地圖 Technical support: tzzhexing.com